内页图
الإخبارية
الصفحة الرئيسية الإخبارية حلول التحكم في سرعة مضخة قضيب الشفط VFD من V&T

حلول التحكم في سرعة مضخة قضيب الشفط VFD من V&T

  • December 16, 2025

تم اعتماد ثلاثة مناهج لتحديث مضخات قضيب الشفط بنظام التحكم في السرعة بتردد متغير


1. محرك التردد المتغير (VFD) مع وحدة تحكم في الكبح


بإضافة مقاومة كبح ووحدة كبح إلى طرفي ناقل التيار المستمر في الدائرة الرئيسية لمحرك التردد المتغير (VFD) (وهي طريقة فعالة من حيث التكلفة)، ونظرًا للحاجة إلى عزم دوران عالٍ أثناء بدء تشغيل مضخة قضيب الشفط ومرحلتي الصعود، وأثناء مرحلة الهبوط، يكون المحرك في حالة توليد طاقة. تُعدّ مرحلة الهبوط المرحلة الأكثر أهمية، فهي عملية تشغيل مستمرة، حيث يتم خلالها ضبط الحركة الترددية في الدقيقة وفقًا للزوجة الزيت وعمق البئر ومعدل الإنتاج، مما يدفع المحرك إلى الدخول في حالة توليد طاقة متجددة، حيث يُعيد الطاقة الزائدة إلى الشبكة، مما يؤدي إلى زيادة الجهد على ناقل التيار المستمر في الدائرة الرئيسية لمحرك التردد المتغير. وبدون مسار لتدفق الطاقة الكهربائية عائدةً إلى الشبكة، يجب تبديدها محليًا باستخدام المقاومات. لهذا السبب، يجب استخدام وحدة كبح ومقاومة كبح في محرك التردد المتغير، ويمكن أن تحتوي محركات التردد المتغير عالية الطاقة من شركتنا على وحدات كبح مدمجة، مما يحقق تأثير التحكم المطلوب بشكل كامل.

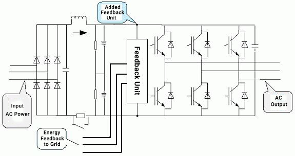
2. محرك التردد المتغير مع وحدة تحكم التغذية الراجعة التجديدية


تمت إضافة وحدة تغذية راجعة متجددة إلى دائرة التيار المستمر الخاصة بمحرك التردد المتغير لإعادة تغذية الطاقة الكهربائية المتولدة أثناء حالة التجديد (توليد الطاقة) للمحرك إلى الشبكة.

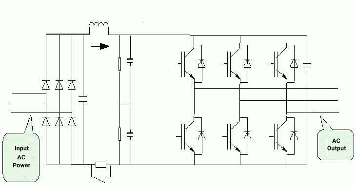
3. نظام التحكم الذكي التلقائي VFD - لا حاجة لوحدة كبح أو وحدة تغذية راجعة متجددة


بشكل عام، لا حاجة لوحدة كبح أو وحدة تغذية راجعة متجددة. يمكن لمحرك التردد المتغير (VFD) ضبط تشغيله تلقائيًا وفقًا لظروف عمل وحدة ضخ الشعاع، مما يؤدي إلى انخفاض تكلفة النظام، وزيادة الموثوقية، وتقليل التلوث التوافقي، وتحسين التكيف مع تغيرات جهد التشغيل.


نظام تحكم ثنائي الموقع لنظام التحكم في السرعة بتردد متغير

وفقًا للمتطلبات، تم تجهيز كل خزانة تحكم في سرعة التردد المتغير بمحرك تردد متغير واحد، يتحكم تلقائيًا في سرعة المحرك في وضع الحلقة المفتوحة. تحتوي خزانة التحكم على مفتاح للتبديل بين تشغيل تردد التيار الكهربائي (التجاوز) وتشغيل التردد المتغير، مع ثلاثة أوضاع: تردد التيار الكهربائي، والتردد المتغير، والإيقاف، مما يضمن تشغيلًا بسيطًا ومريحًا.

عند التحويل إلى وضع التردد المتغير، يعمل محول التردد المتغير تلقائيًا. ويتم ضبط السرعة عن طريق إرسال إشارة تناظرية من مقياس الجهد الموجود على لوحة التحكم إلى طرف AI1 الخاص بمحول التردد المتغير. أثناء التشغيل، يمكن عرض معلمات الوقت الفعلي، مثل التيار والجهد والطاقة والتردد، مباشرةً على شاشة عرض محول التردد المتغير.

للتحكم عن بُعد، لا حاجة إلى التبديل، إذ يمكن تشغيل وإيقاف محرك التردد المتغير مباشرةً، كما يمكن ضبط حالة تشغيله وتردده عن بُعد. ويمكن أيضًا نسخ بيانات التشغيل الحالية وتصديرها إلى الوثائق.


مزايا المنتج:

  • حماية شاملة ضد الأعطال الخارجية، بما في ذلك قصر الدائرة، وفقدان الطور، والحمل الزائد، وعدم توازن الطور؛
  • تصميم متكامل للغاية يتميز بموثوقية عالية ونسبة أداء إلى تكلفة ممتازة؛
  • يدعم التحكم عن بعد والتحكم المحلي، وهو مزود بإمكانية الاتصال RS-485؛
  • علبة من نوع الخزانة مناسبة للتركيب الخارجي.




حقوق النشر © 2026 Shenzhen V&T Technologies Co.,Ltd.. كل الحقوق محفوظة. طاقة من

دعم شبكة IPv6

أعلى

اترك رسالة

اترك رسالة

    إذا كنت مهتمًا بمنتجاتنا وترغب في معرفة المزيد من التفاصيل , يرجى ترك رسالة هنا , وسنرد عليك في أقرب وقت ممكن .

  • #
  • #
  • #